Archives PINET
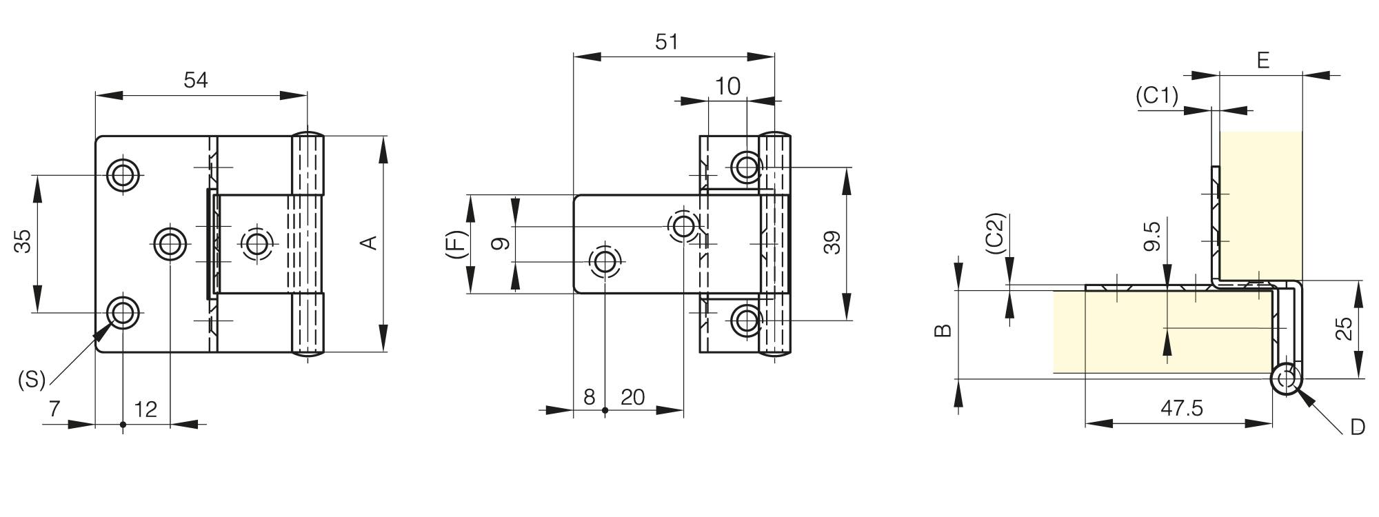
Small butt hinges with two cranked leaves 55 x 54 mm
Riveted stainless steel pin| Part number |
|
Material | Finish | A | B | C1 | C2 | D | E | F | S | Weight (g) |
|
|---|
| Part number |
|
Material | Finish | A | B | C1 | C2 | D | E | F | S | Weight (g) |
|
|---|