Archives PINET

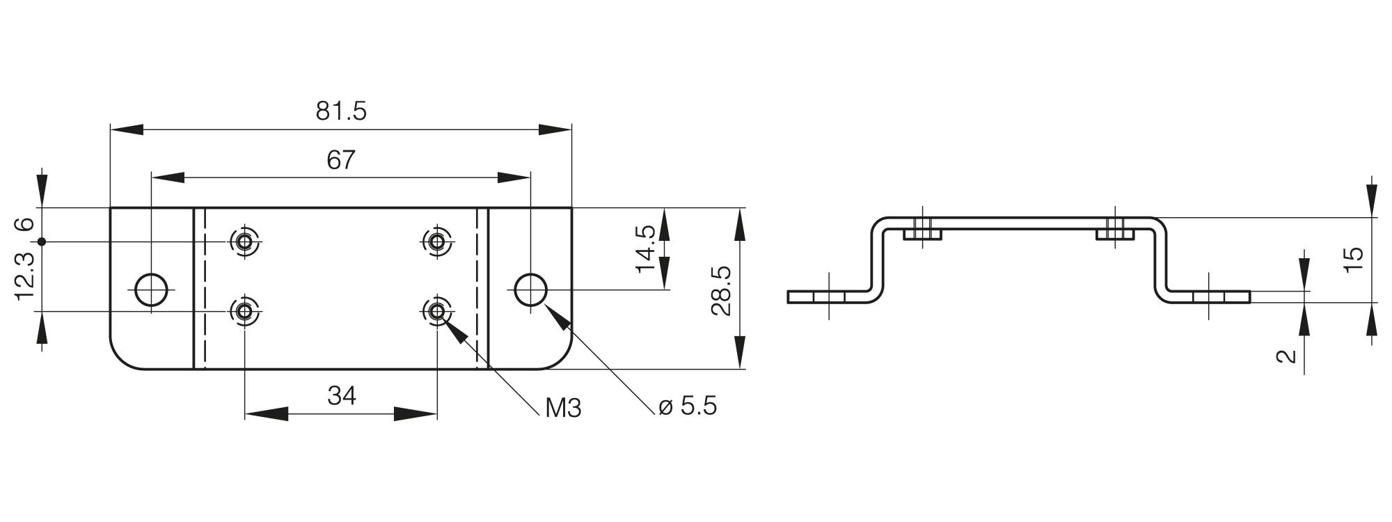
Bracket for hinge 70-1-3520

This bracket is used to mount the hinge on metal enclosures
Quotation request
Part number
Stock
Material Finish Weight (g)
Sheet cao Stock Buy
Scroll horizontally
Bügel für Scharnier 70-1-3520