Quart de tour

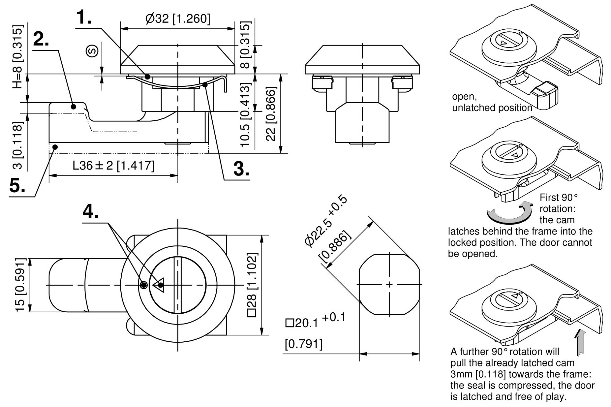
Quart de tour à compression pour découpe 20.1, très compact et installation sans outil

Demander un devis
Référence
Stock
Poids (g)
fiche cao Stock Acheter
Faire défiler horizontalement