Contactez-nous ou envoyer une demande en cliquant ici.
Découvrez notre nouveau catalogue
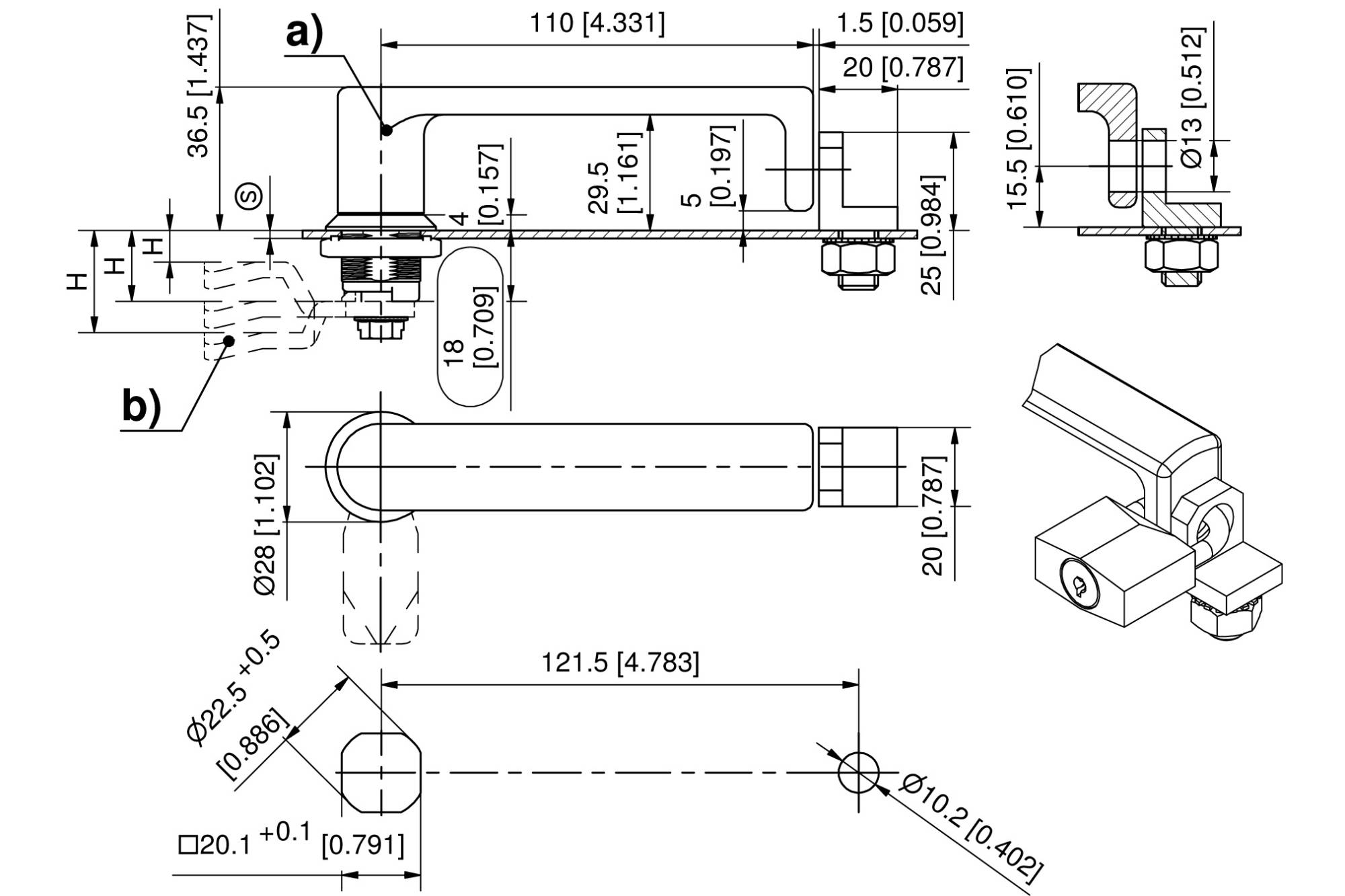
Poignée en L cadenassable
Stock disponible:
Merci de patienter, page en chargement
Le site web ne peut pas fonctionner correctement sans ces cookies.