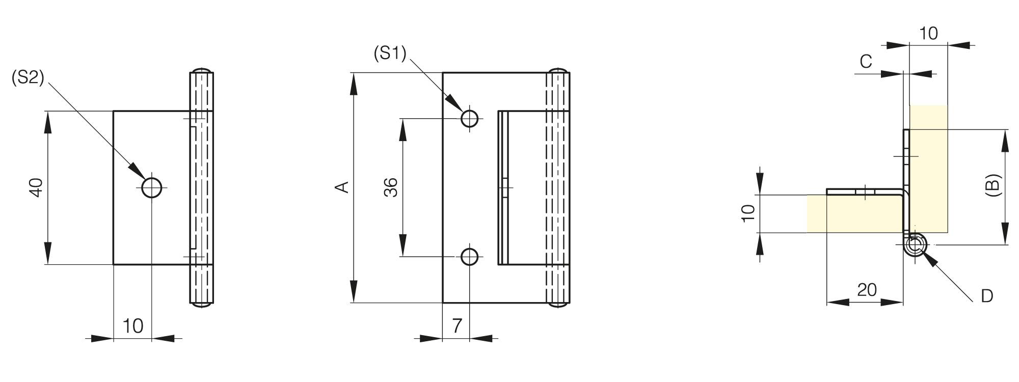
Gekröpfte Scharniere für innenliegende Türen
Kleines Scharnier mit 1 gekröpften Flügel 60 mm
Dasselbe Scharnier ist auch als Federscharnier erhältlich (Art.-Nr. 71-1-3622).
| Axiale Belastung | Radiale Belastung | Last mit 90° Winkel | |
|---|---|---|---|
| Zugversuche | |||
| Referenzen | Maximale Belastung (N) | Maximale Belastung (N) | Maximale Belastung (N) |
| 62-1-3625 | 1910 | 3160 | 3510 |
Die angegebenen Werte ergeben sich aus den Tests, die von PINET gemäß den im folgenden Link genannten Bedingungen durchgeführt wurden.Dies ersetzt in keiner Weise die Berechnungen oder Validierungstests, die der Kunde an seiner Anwendung mit dem Scharnier durchführen muss.
Prüfbedingungen und -protokolle